网站首页
公司简介
产品中心
表压
差压
绝压
进口代替
新闻中心
公司动态
行业动态
厂房设备
在线留言
联系我们
Products
绝压
当前位置:
首页
>>
产品中心
>>
绝压
表压
差压
绝压
进口代替
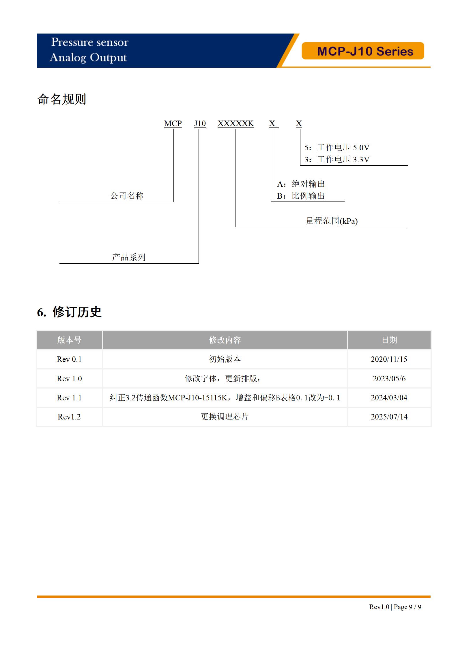
MCP-J10
联系我们
产品详情
联系我们
联系电话
产品中心